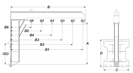
Г-образная кран-балка с крюком устанавливается непосредственно на каретку вилочного погрузчика (вместо вил) и служит для захвата и транспортировки различного вида груза. Предлагаемое навесное оборудование позволяет проводить погрузо-разгрузочные работы как стандартных так и длинномерных грузов различного веса. Процесс установки этих моделей кран-балок занимает до 15 минут. Подставка и крюк соответствующей грузоподъемности для данной модели стелы ВХОДИТ в комплект поставки.
ВНИМАНИЕ! Кран-балка KSR представлена в 8 вариантах, но есть возможность изготовить оборудование по Вашим параметрам.
Мы предоставляем полный комплект сопроводительной документации:
- сертификат соответствия ГОСТ Р,
- инструкция по эксплуатации,
- акт заводских вводных испытаний,
- методика и порядок проведения последующих испытаний,
- паспорт на оборудование,
- шильда, установленная на самом оборудовании.
«Оборудование» изготовлено в соответствии с ТУ 28.22.19-002-90802111-2019 «Комплектующие для вилочных погрузчиков и складской техники».
Для оформления заявки, пожалуйста, скачайте форму, расположенную ниже, заполните необходимые параметры и отправьте на нашу корпоративную электронную почту.

.png)


